F.H.T.S. AUDIO POWER AMPLIFIER DEVELOPMENT

F.H.T.S. = "For High Taste of Sound", the collection of high-end audio power amplifier original designs (schematics and PCB designs), designed for professional builders and audiophiles.

Group repository:
https://gitlab.com/fhts-audio-power-amplifier

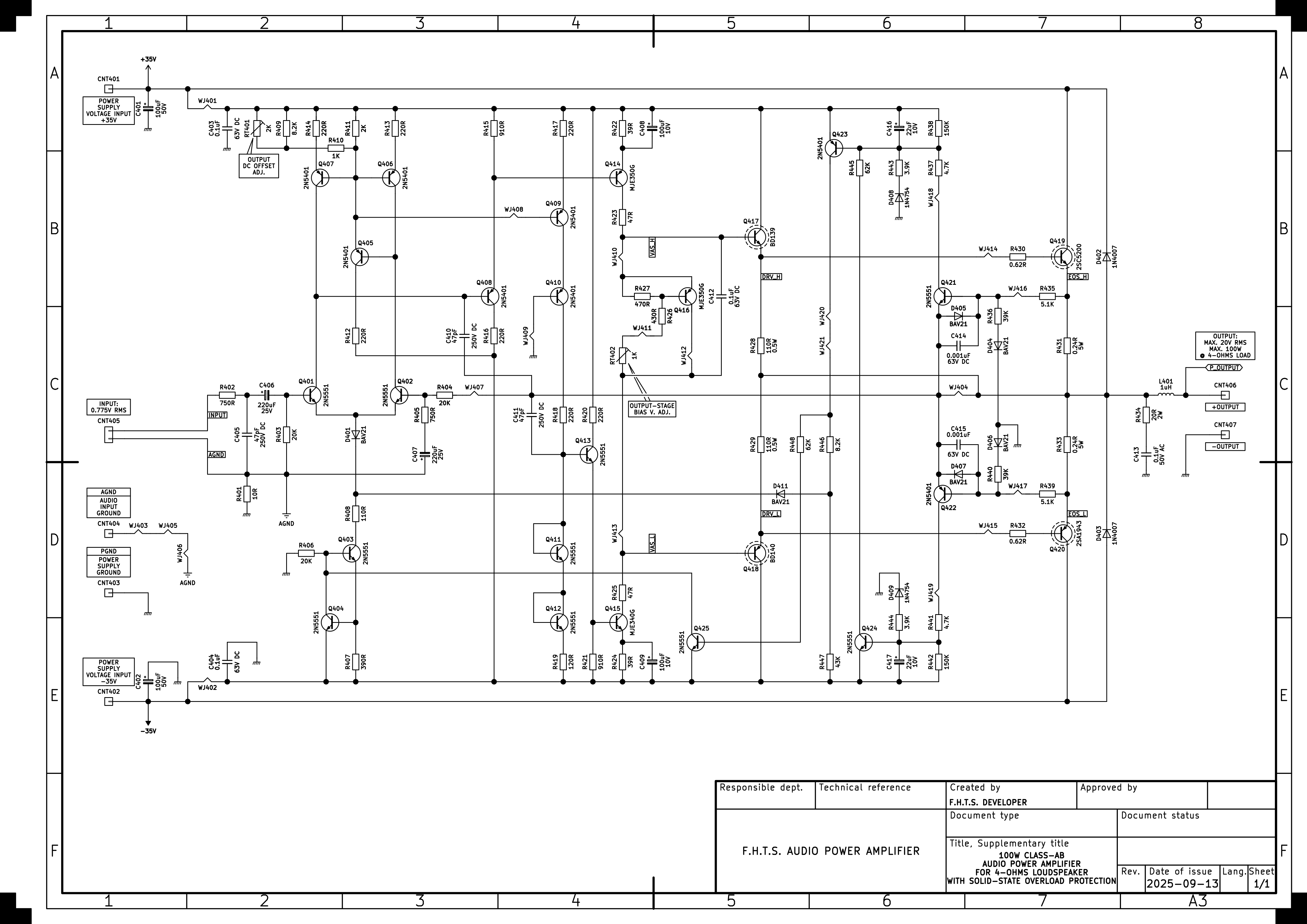
FHTS-100W-4L

Schematic of 100 WATTS AUDIO POWER AMPLIFIER MAIN-CIRCUIT FOR 4-OHMS OUTPUT LOAD

This is a model design of a high-end 100-watts audio power amplifier main-circuit for 4-ohms output-load. This model has a modern circuit topology with the advanced LTP circuit model to achieve very low output offset, symmetrical high-speed high-gain VAS, and advanced solid-state output-overload protection.

Project Repository URL:
https://gitlab.com/fhts-audio-power-amplifier/fhts-100w-4l

Schematic & PCB design files bundle download URL:
https://gitlab.com/fhts-audio-power-amplifier/fhts-100w-4l/-/archive/main/fhts-100w-4l-main.zip?ref_type=heads

Read more »

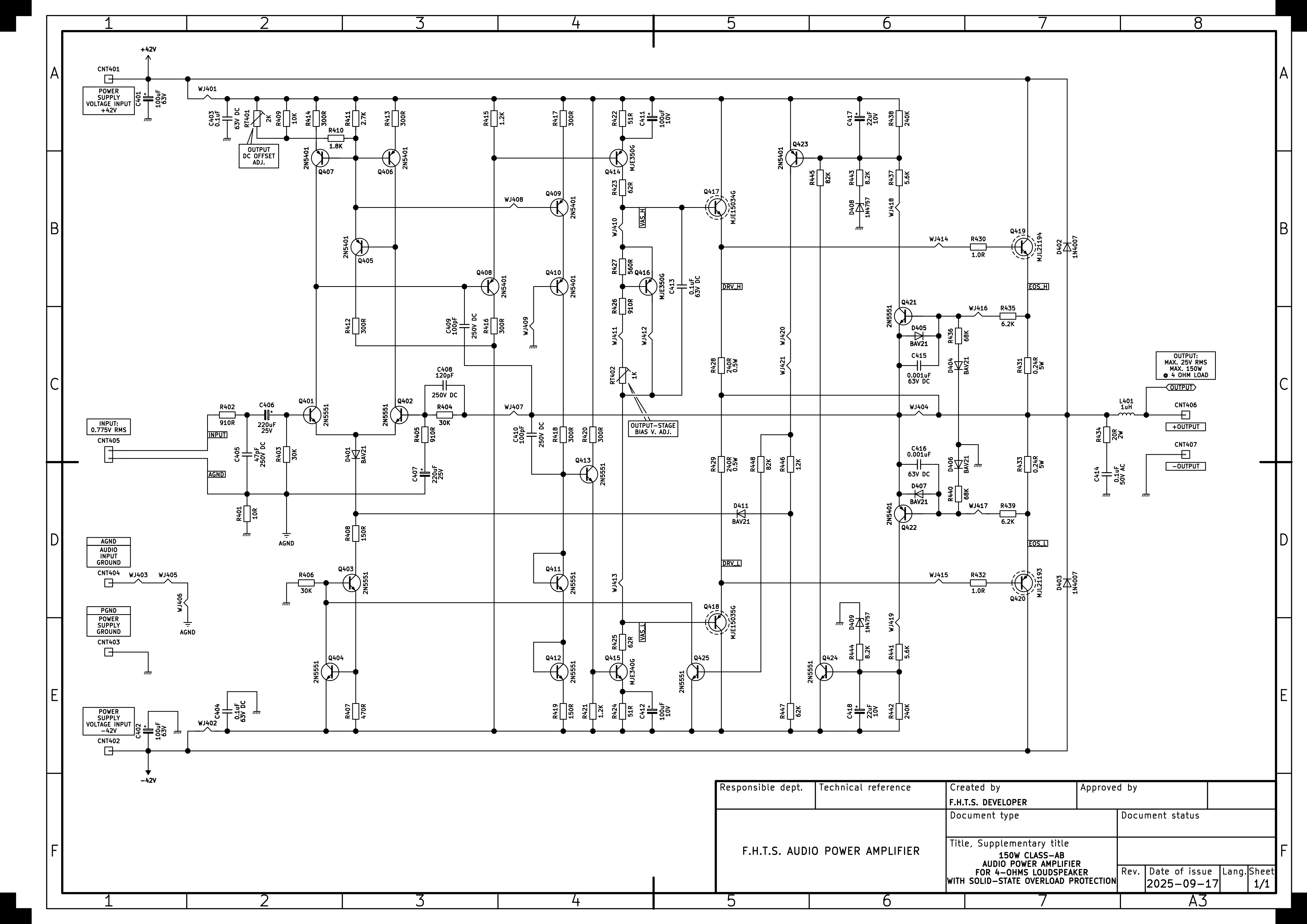
FHTS-150W-4L

Schematic of 150 WATTS AUDIO POWER AMPLIFIER MAIN-CIRCUIT FOR 4-OHMS OUTPUT LOAD

This is a model design of a high-end 150-watts audio power amplifier main-circuit for 4-ohms output-load. This model has a modern circuit topology with the advanced LTP circuit model to achieve very low output offset, symmetrical high-speed high-gain VAS, and advanced solid-state output-overload protection.

Project Repository URL:
https://gitlab.com/fhts-audio-power-amplifier/fhts-150w-4l

Schematic & PCB design files bundle download URL:
https://gitlab.com/fhts-audio-power-amplifier/fhts-150w-4l/-/archive/main/fhts-150w-4l-main.zip?ref_type=heads

Read more »

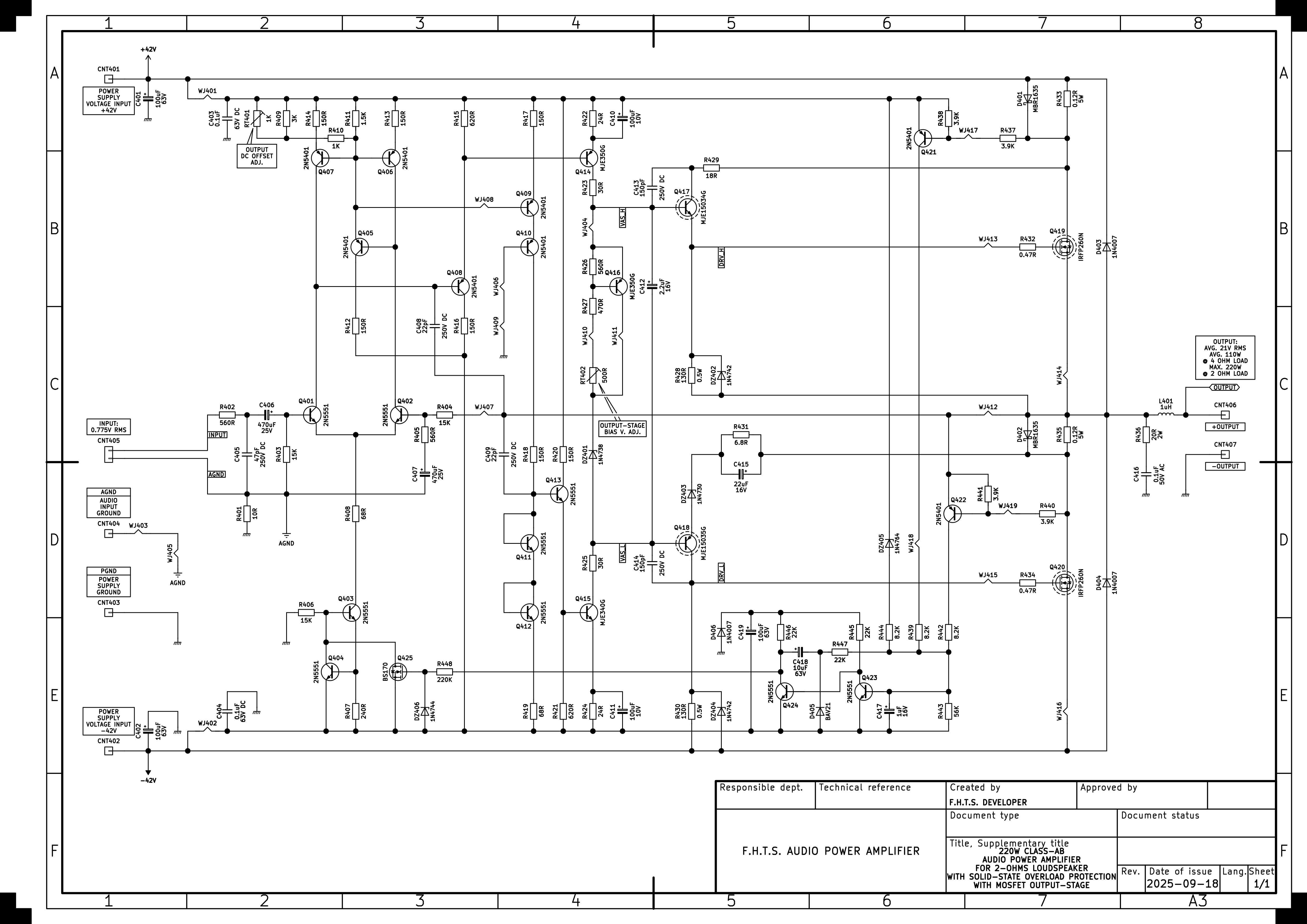
FHTS-220W-2L-MOSFET-OS

Schematic of 220 WATTS AUDIO POWER AMPLIFIER MAIN-CIRCUIT FOR 2-OHMS OUTPUT LOAD

This is a model design of a high-end 400-watts audio power amplifier main-circuit for 4-ohms output-load. This model has a modern circuit topology with the advanced LTP circuit model to achieve very low output offset, symmetrical high-speed high-gain VAS, and advanced solid-state output-overload protection. The speciality of this model is designed to apply the MOSFET output-stage for handling very low output-load impedance, applies one IRFP260N N-channel power-MOSFET for each side of the output-stage.

Project Repository URL:
https://gitlab.com/fhts-audio-power-amplifier/fhts-220w-2l-mosfet-os

Schematic & PCB design files bundle download URL:
https://gitlab.com/fhts-audio-power-amplifier/fhts-220w-2l-mosfet-os/-/archive/main/fhts-220w-2l-mosfet-os-main.zip?ref_type=heads

Read more »

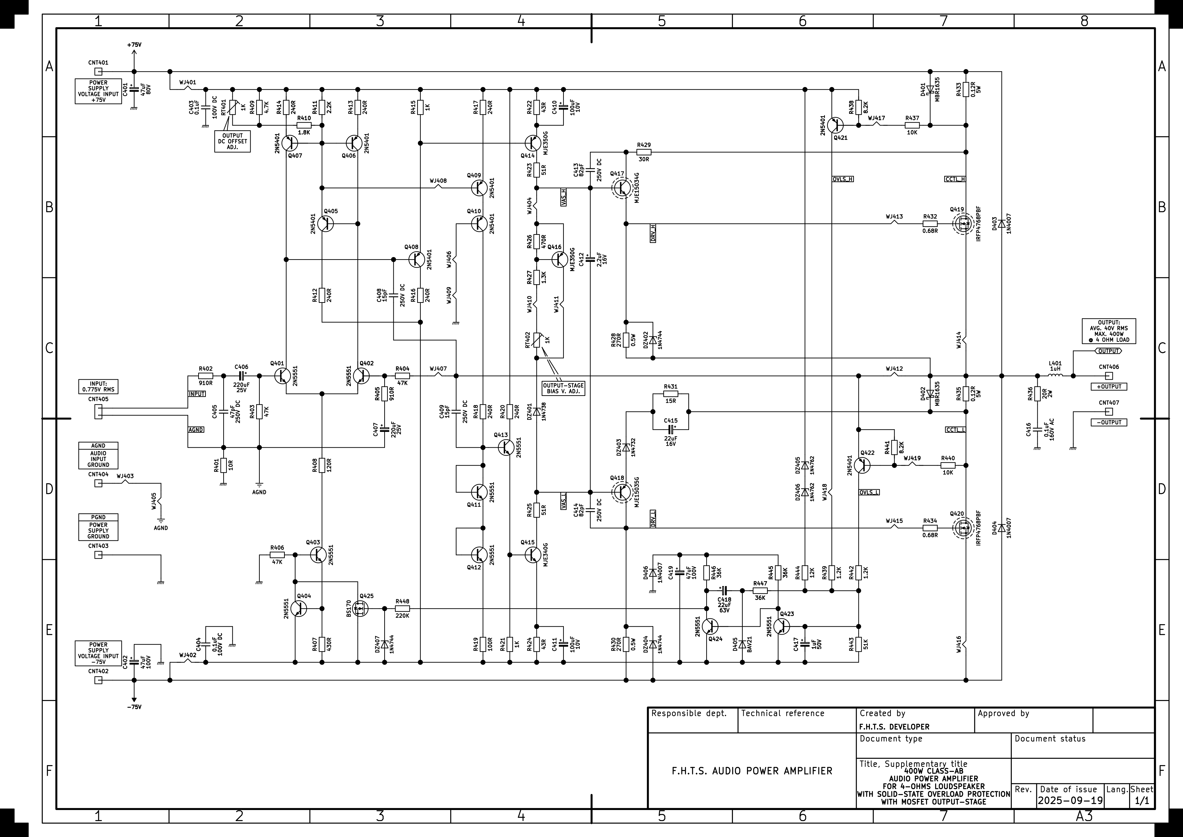
FHTS-400W-4L-MOSFET-OS

Schematic of 400 WATTS AUDIO POWER AMPLIFIER MAIN-CIRCUIT FOR 2-OHMS OUTPUT LOAD

This is a model design of a high-end 400-watts audio power amplifier main-circuit for 4-ohms output-load. This model has a modern circuit topology with the advanced LTP circuit model to achieve very low output offset, symmetrical high-speed high-gain VAS, and advanced solid-state output-overload protection. The speciality of this model is application of the power-MOSFET output-stage to achieve the ability for handling relatively high output power rating by applying one power-MOSFET for each side of output-stage, applies IRFP4768PBF N-channel power-MOSFET. One another achievement of IRFP4768PBF application is the output signal quality, a finest clarity of audio output. The parallel of many power transistor pairs application for this model is none needed, as it handled by IRFP4768PBF in which has maximum power dissipation in 517W, and thus can also reduce the circuit-board size.

Project Repository URL:
https://gitlab.com/fhts-audio-power-amplifier/fhts-400w-4l-mosfet-os

Schematic & PCB design files bundle download URL:
https://gitlab.com/fhts-audio-power-amplifier/fhts-400w-4l-mosfet-os/-/archive/main/fhts-400w-4l-mosfet-os-main.zip?ref_type=heads

Read more »

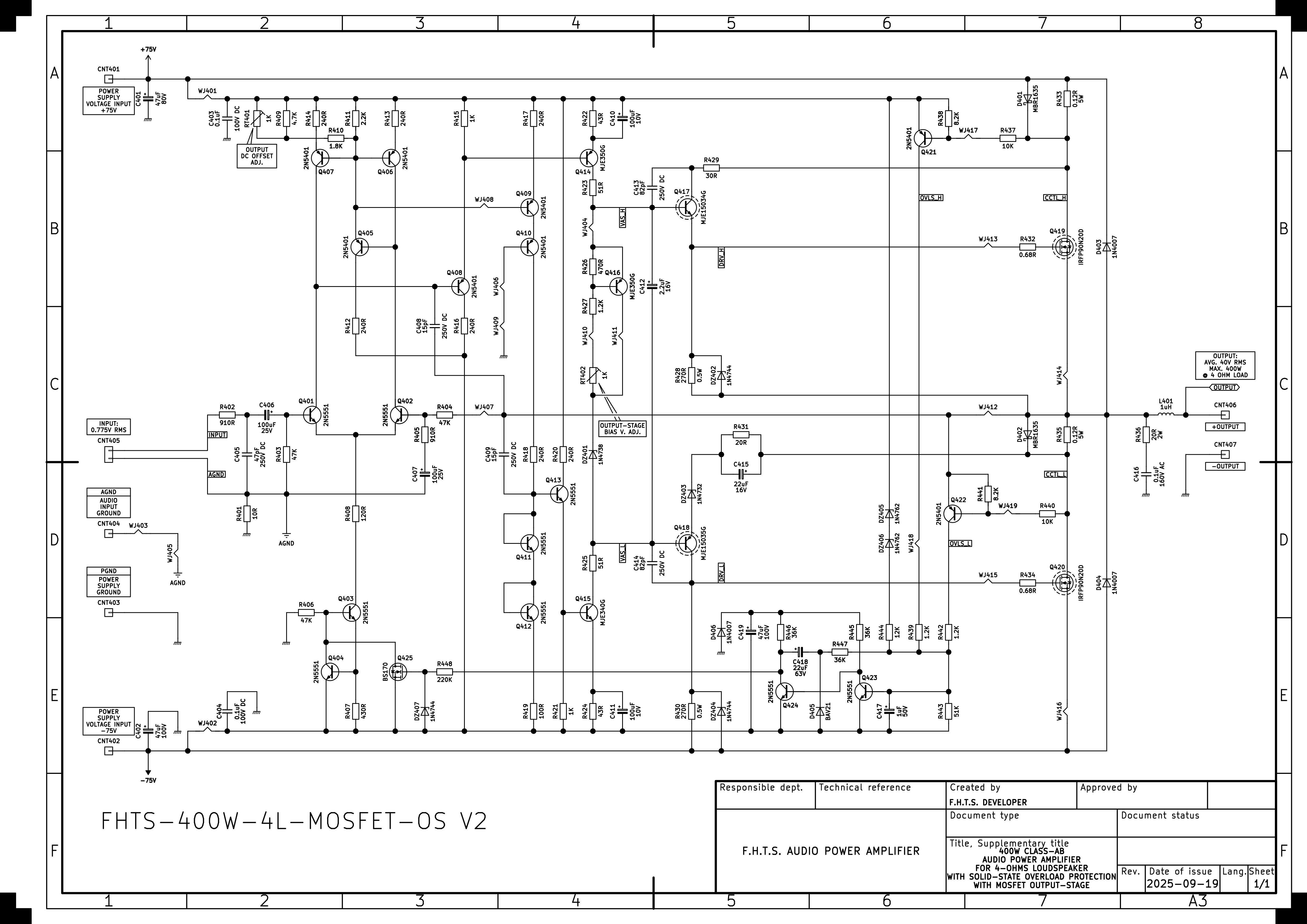
FHTS-400W-4L-MOSFET-OS V2

Schematic of 400 WATTS AUDIO POWER AMPLIFIER MAIN-CIRCUIT FOR 2-OHMS OUTPUT LOAD

This is a model design of a high-end 400-watts audio power amplifier main-circuit for 4-ohms output-load. This model has a modern circuit topology with the advanced LTP circuit model to achieve very low output offset, symmetrical high-speed high-gain VAS, and advanced solid-state output-overload protection. The speciality of this model is application of the power-MOSFET output-stage to achieve the ability for handling relatively high output power rating by applying one power-MOSFET for each side of output-stage, applies IRFP4768PBF N-channel power-MOSFET. One another achievement of IRFP90N20D application is the output signal quality, a finest clarity of audio output. The parallel of many power transistor pairs application for this model is none needed, as it handled by IRFP90N20D in which has maximum power dissipation in 580W, and thus can also reduce the circuit-board size.

Project Repository URL:
https://gitlab.com/fhts-audio-power-amplifier/fhts-400w-4l-mosfet-os-v2

Schematic & PCB design files bundle download URL:
https://gitlab.com/fhts-audio-power-amplifier/fhts-400w-4l-mosfet-os-v2/-/archive/main/fhts-400w-4l-mosfet-os-v2-main.zip?ref_type=heads

Read more »

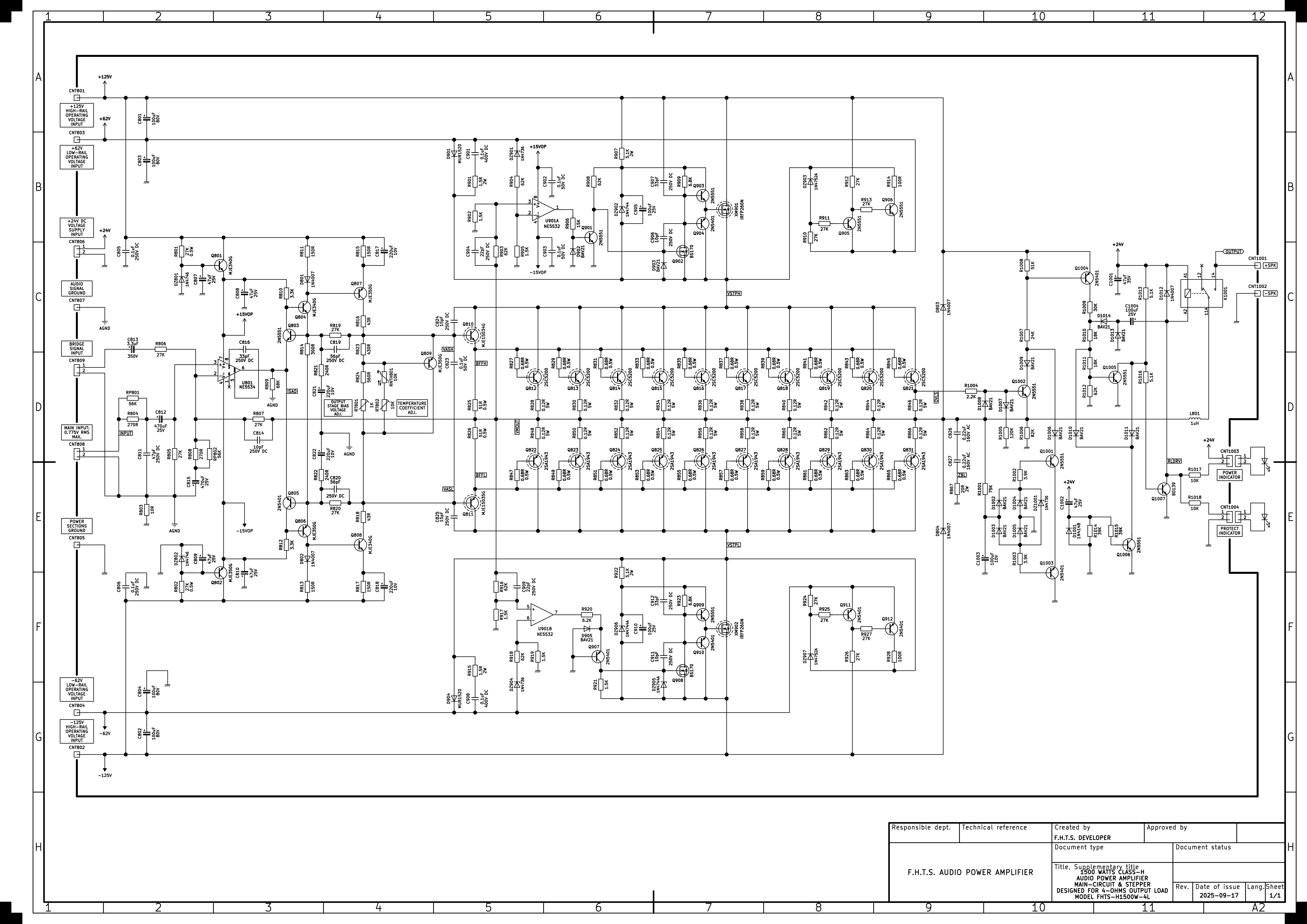
FHTS-H1500W-4L

Schematic of 1500 WATTS CLASS-H AUDIO POWER AMPLIFIER MAIN-CIRCUIT FOR 4-OHMS OUTPUT LOAD

This is a model design of a class-H 1500-watts audio power amplifier main-circuit for 4-ohms output-load. This model is designed to work with stepped two rails DC operating voltage at 62V DC precision dual supply and 125V DC precision dual supply.

Project Repository URL:
https://gitlab.com/fhts-audio-power-amplifier/fhts-h1500w-4l

Schematic files bundle download URL:
https://gitlab.com/fhts-audio-power-amplifier/fhts-h1500w-4l/-/archive/main/fhts-h1500w-4l-main.zip?ref_type=heads

Read more »

F.H.T.S. AUDIO POWER AMPLIFIER DEVELOPMENT